Опубликовано 04 апреля 2014, 04:00

Боевая единица. Обзор материнской платы GIGABYTE G1.SNIPER 5

Покупка системной платы большинством рассматривается как суровая необходимость, как некая условная площадка для нового процессора и мощной видеокарты. Скептики с сомнением относятся к дорогим решениям, удивленно восклицая: «Да зачем это нужно?». Приобретая эксклюзивный автомобиль с объемистым мотором, владелец не планирует с ревом убирать педаль в пол в любое время дня и ночи. Он отдает немалые деньги лишь за возможность. Так и покупатели топовых видеокарт не рассчитывают без устали щелкать перемычками и задирать частоты. Возможности дорогого стоят — о них мы и поговорим.
Боевая единица. Обзор материнской платы GIGABYTE G1.SNIPER 5

Рынок топовых решений — весьма специфический. Здесь каждый производитель должен предложить что-то действительно оригинальное и необычное, благо платформа у всех, как правило, одна и та же. Вариантов необычной реализации масса: начиная от маркетинговых заверений вроде «только с нашей системной платой вам будут благоволить женщины» до модулей скоростной памяти в комплекте поставки. Заявляя очередного представителя игровой серии G1-Killer под названием G1.SNIPER 5, производитель решил сделать ставку на оригинальную аудиоподсистему. В целом такое решение разумно: устройство рассчитано больше на игровых энтузиастов, которые в общей массе предпочитают что-то простое, понятное и «не как у всех».

Возможности

Прежде всего, поглядим на небольшой рекламный проспект, который предлагает нам ознакомиться сразу со всеми достоинствами GGABYTE G1.SNIPER 5. Итак, приобретая плату, пользователь, в частности, получает следующее:

  • Позолоченные контакты процессорного сокета, DIMM и слотов PCI Express;
  • Удвоенная толщина медных слоев основания платы с технологией 2x Cooper PCB;
  • Аудиосистема GIGABYTE AMP-UP:
    • Возможность модификации OP-AMP путем замены операционных усилителей;
    • Звуковой процессор Creative Sound Core 3D, прикрытый золотистой крышечкой;
    • Предусилитель и отдельный выход на задней панели для наушников;
    • Система шумовой изоляции Audio Noise Guard с подсветкой;
    • Высококачественные электролитические конденсаторы Nichicon MUSE;
    • Сетевой сопроцессор Killer E2200 для улучшения качества связи;
    • Фильтр ESD для защиты разъемов LAN и USB;
    • Поддержка до 4 графических адаптеров одновременно;
    • Поддержка UEFI DualBIOS cо световыми индикаторами;
    • Система охлаждения G1-Killer с возможностью подключения водяного цикла;
    • 16-канальный регулятор напряжения на базе контроллера International Rectifier;
    • Клавиши ON/OFF, Reset и Clear CMOS прямо на системной плате;
    • Цифровой дисплей кодов ошибок;
    • 9 разъемов подключения вентиляторов.
Рекламный проспект с указанием всех достоинств GIGABYTE G1.SNIPER 5

Рекламный проспект с указанием всех достоинств GIGABYTE G1.SNIPER 5

Комплектация

Прежде чем мы перейдем к детальному изучению самого устройства, познакомимся с комплектом поставки. В этот раз он действительно заслуживает особого внимания. Плата поставляется в солидной коробке, где, помимо самого виновника торжества, можно найти все необходимое для сборки системы и даже более:

  • Три бумажных «палеотипа»: руководство пользователя, правила быстрой сборки и установки и инструкция к модулю беспроводной связи;
  • Два диска с драйверами и полезными утилитами;
  • Три моста для включения режимов NVIDIA SLI (SLI, 3-WAY SLI и 4-WAY SLI);
  • Мост для включения режима AMD CrossFire;
  • Заглушка на заднюю стенку корпуса;
  • Шесть кабелей SATA;
  • Дополнительная, встраиваемая панель с разъемами USB 3.0;
  • Модуль беспроводной связи GC-WB300D c интерфейсом подключения PCI Express x1;
  • Шнур для подключения Bluetooth-модуля;
  • Выносная совмещенная антенна беспроводного модуля связи GC-WB300D;
  • Комплект модификации звуковой подсистемы OP-AMP Upgrade Kit (операционный усилитель плюс пинцет для облегчения процесса монтажа);
  • Винты для монтажа системной платы в корпус;
  • Милая наклейка на корпус.
Комплект поставки GIGABYTE G1.SNIPER 5

Комплект поставки GIGABYTE G1.SNIPER 5

Комплект поставки GIGABYTE G1.SNIPER 5 более чем достойный. Впрочем, было бы странно ожидать чего-то меньшего от устройства, чей ценник можно смело считать чарующе невероятным. Не терпится заняться модификацией аудиоподсистемы и установкой операционных усилителей.

Модуль беспроводной связи

Помимо возможности переносить операционные усилители одним взмахом пинцета, пользователю предлагается дополнить свой десктоп беспроводным модулем связи. Плата уже оборудована двумя сетевыми разъемами, но долой провода, раз уж мы живем в будущем! Пользователю может установить плату расширения в свободный разъем PCI Express x1 и уже непосредственно к самой плате подсоединить выносную антенну — она прилагается в комплекте.

Беспроводной набор GIGABYTE GC-WB300D, поставляемый в наборе с платой, при желании можно приобрести отдельно

Беспроводной набор GIGABYTE GC-WB300D, поставляемый в наборе с платой, при желании можно приобрести отдельно

Выносная антенна выглядит стильно, и интерьер как минимум не испортит. Есть подставка с возможностью зафиксировать положение в пяти различных вариантах. В подставку вмонтирован магнит — при желании антенна крепится прямо на корпус системного блока. У самой платы расширения два разъема: один для обеспечения работоспособности Wi-Fi, а второй для возможности работы с Bluetooth 4.0. Если необходимы обе функции, то предлагается дополнительно соединить модуль расширения к внутреннему разъему USB на самой системной плате. Сам адаптер способен работать в двух диапазонах частот: 2,4 ГГц и 5 ГГц.

Внешний вид

Системная плата

Плата изготовлена с учетом нестандартного форм-фактора XL-ATX. Если привычный многим стандарт ATX укладывается в размеры 305х264 мм, то модель оGIGABYTE несколько шире — аж на 20 мм, то есть попадает в рамки 305х264 мм. Причин такого «выхода за пределы допустимого» несколько. Во-первых, была необходимость развести упомянутую выше аудиоподсистему с организацией персонализированного пространства. Во-вторых, если уж мы и говорим о решении для геймеров, то важно дать возможность установки максимального числа графических карт. Так, мы имеем четыре PCI Express 3.0 x16 и три PCI Express 2.0 x1, распаянных на PCB. Но при этом мы лишились ряда пусть и устаревших, но зачастую полезных контроллеров и разъемов.

Чудесная GIGABYTE G1.SNIPER 5 во всей красе: процессор и память — редакционные

Чудесная GIGABYTE G1.SNIPER 5 во всей красе: процессор и память — редакционные

Саму плату вряд ли можно считать аскетично оформленной визуально. Обилие систем охлаждения, плотная разводка, ярко-зеленые визуальные элементы не дают нам забыть о том, что речь идет о топовом продукте. Отметим в целом аккуратную и грамотную сборку, здесь претензий нет.

Устройство достаточно мощное, так что неудивительно, что производитель развел аж девять портов для подключения вентиляторов. При этом режим работы практически каждого нагнетателя может быть настроен через BIOS. Сама система теплоотвода поистине монструозна. Она может быть использована как в классическом варианте, так и в комбинации с компонентами системы водяного охлаждения.

Самая массивная часть, которая прикрывает мосты чипсета, состоит из радиаторов, соединенных тепловой трубкой. Можно заметить выходящий со стороны охладителя двухконтактный кабель. Он предназначен для питания подсветки логотипа серии G1-Killer. Странное решение, ибо логотип будет скрыт за профилем одной из видеокарт и пользователь вряд ли сможет насладиться веселыми огоньками.

Питание процессора рассчитано ни много ни мало на шестнадцать фаз — справится с любой нагрузкой. Прикрывается система одним из массивных радиаторов с вентилятором производства Power Logic. Шумит такой малыш не слишком сильно — вряд ли его вообще будет слышно за ревом охладителей видеокарт.

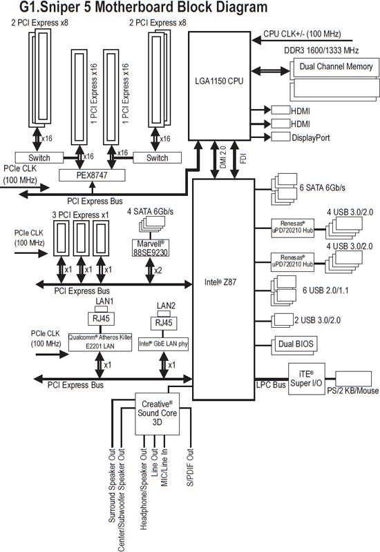
Чтобы обеспечить максимальную производительность графической системы, производителю пришлось устанавливать дополнительную схему-коммутатор PEX8747 производства PLX Technology на 48 линий. Еще 16 линий дает встроенный во все процессоры серии Haswell контроллер. Таким образом, слоты могут работать в четырех режимах:

  • x16+x0+x16+x0;
  • x8+x8+x8+x8;
  • x8+x8+x16+x0;
  • x16+x0+x8+x8.
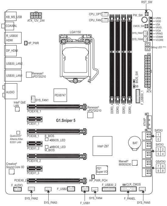
Схема разводки компонентов GIGABYTE G1.SNIPER 5

Схема разводки компонентов GIGABYTE G1.SNIPER 5

Такой коммутатор обладает дополнительным энергопотреблением. Но из-за плотной компоновки инженеры Gigabyte не смогли разместить все схемы преобразователя питания на лицевой стороне. Так что часть микросхем можно найти и на тыльной части GIGABYTE G1.SNIPER 5.

Оборотная сторона системной платы GIGABYTE G1.SNIPER 5

Оборотная сторона системной платы GIGABYTE G1.SNIPER 5

Для установки модулей памяти DDR3 предусмотрено четыре слота: каждая пара разъемов выделена черным или зеленым цветом. Максимально поддерживаемый объем — 32 Гбайт, то есть в каждый слот может быть установлена планка «весом» вплоть до 8 Гбайт. Имеется поддержка модулей с XMP. Слоты обладают достаточно удобной конструкцией: сдвижная защелка расположена только с одной стороны. Пользователю остается лишь упереть планку с другой стороны и, опустив, зафиксировать модуль.

На торце платы расположились разъемы SATA 3.0, работоспособность шести из которых (черного цвета) обеспечивается набором логики Z87 Express. Они способны работать в RAID-массиве уровня 0, 1, 5 или 10. За четыре оставшихся SATA-разъема (серого цвета) отвечает контроллер Marvell 88SE9230. Такие порты могут поддерживать RAID-структуру только уровня 0 или 1.

Разъемы SATA на торцевой части системной платы GIGABYTE G1.SNIPER 5

Разъемы SATA на торцевой части системной платы GIGABYTE G1.SNIPER 5

Присутствует и «уголок энтузиаста». В правой нижней части платы можно найти цифровое табло, передающее коды POST, клавишу запуска и перезапуска системы, а также кнопку очистки CMOS.

Уголок оверклокера GIGABYTE G1.SNIPER 5: клавиши запуска, перезагрузки, очистки CMOS, а также экран кодов POST

Уголок оверклокера GIGABYTE G1.SNIPER 5: клавиши запуска, перезагрузки, очистки CMOS, а также экран кодов POST

Если говорить о задней панели более подробно, то здесь есть все необходимое. Помимо озвученных ранее шести USB 3.0, здесь можно найти дополнительно парочку USB 2.0, пять позолоченных аудиовыходов плюс оптический S/PDIF. Также предусмотрен коаксиальный S/PDIF, два гигабитных Ethernet-разъема RJ-45 и, наконец, классический PS/2 для подключения клавиатуры или мыши. Благодаря встроенному графическому ядру в чипсет Z87 Express производитель смог реализовать сразу два порта HDMI 1.4, к тому же доступен не менее популярный DisplayPort 1.2.

Задняя панель с большим набором разъемов

Задняя панель с большим набором разъемов

Звуковая подсистема

По умолчанию системная плата комплектуется не штатным, как в большинстве случаев многоканальным кодеком Realtek, а более многоплановым решением на базе Creative CA0132. Обнаружить на плате кодек легко — он распаян под золотистой крышкой с надписью Sound Core 3D. Таким образом, производитель еще раз подчеркивает игровую направленность устройства и то, что хороший звук Creative геймеру обеспечен. Участок, на котором размещены элементы аудиоподсистемы, визуально выделен на текстолите бесцветной дорожкой. Она бесцветная лишь до тех пор, пока на задней стороне системной платы не загораются зеленые светодиоды. Выполнено такое разделение не только для красоты — так производитель изолировал всю подсистему от прочих элементов платы, минимизировав на выходе все шумы и наводки.

Оригинальная звуковая конфигурация на базе системы Creative Sound Core 3D

Оригинальная звуковая конфигурация на базе системы Creative Sound Core 3D

В непосредственной близости от кодека можно найти операционный усилитель Texas Instruments OPA2134PA, выпущенный под маркой TI Burr-Brown. Еще одну микросхему можно найти в пластиковом чехле из набора поставки, как часть пресловутого комплекта OP-AMP Upgrade Kit. Помимо самой схемы LM4562, произведенной под маркой TI Mouser на мощностях Texas Instruments, в чехле находятся и удобные металлические щипцы в пластиковом кожухе.

Комплект модификации звуковой системы GIGABYTE OP-AMP с щипцами и усилителями в комплекте можно приобрести отдельно за «символические» $49

Комплект модификации звуковой системы GIGABYTE OP-AMP с щипцами и усилителями в комплекте можно приобрести отдельно за «символические» $49

Операционные усилители установлены в специальные монтажные DIP-корзинки. Пользователю достаточно нескольких секунд, чтобы произвести замену. Теоретически, предустановленный усилитель TI Burr-Brown можно считать универсальным, подходящим на все случаи жизни. Но если пользователь — меломан, способный оценить дрожание верхних частот и глубину НЧ-диапазона, то специально для него предусмотрен вариант TI Mouser. Как бы то ни было, на слух оценить качество звучания при том или ином варианте неподготовленному слушателю весьма проблематично. Но сама атмосфера «аудиофилии» во всем перечисленном многообразии создается безупречная.

Контроллеры

Система строится с учетом флагманского набора логики Z87 Express, появление которого неразрывно связано с анонсом процессоров на базе ядра Haswell. Чипсет уменьшился в объемах, сократилась потребляемая мощность. Также появился новый разъем LGA1150, добавилась пара портов USB 3.0, увеличилось и число USB 2.0 — до четырех штук. Были внедрены технологии Intel Rapid Start и Intel Smart Connect.

Блок-схема набора логики Intel Z87 Express

Блок-схема набора логики Intel Z87 Express

Несмотря на достоинства чипсета, инженеры GIGABYTE применили большое количество контроллеров и от сторонних производителей. Необходимость усилить платформу и предложить потребителю максимум вполне оправдывает подобный шаг со стороны производителя. Рассматриваемая нами плата GIGABYTE G1.SNIPER 5 использует:

  • ШИМ-контроллер питания International Rectifier IR3563B;
  • МОП-транзисторы International Rectifier IR3550B. Распаяно 16 штук — по одной сборке на каждую фазу питания. Максимальный ток каждого канала — 60 А;
  • Удвоители фаз International Rectifier IR3599;
  • ШИМ-контроллер International Rectifier IR3570, который отвечает непосредственно за питание памяти;
  • Звуковой процессор Creative CA0132;
  • Операционный усилитель TI Burr-Brown OPA2331PA;
  • Схемы деления ASMedia ASM1480, позволяющие получить необходимое число линий PCI Express x16 на каждый слот;
  • Сетевые контроллеры Intel WGI217V и Qualcomm Atheros Killer E2201, благодаря которым на задней панели реализовано два разъема RJ-45;
  • Два контроллера NEC/Renesas D720210 для реализации четырех дополнительных USB 3.0.
  • Схема-коммутатор PLX PEX8747, дающая дополнительные линии PCI Express;
  • Контроллер Marvell 88SE9230, который беспечивает работу четырех дополнительных портов SATA c поддержкой технологии HyperDuo.
Модульная схема реализации GIGABYTE G1.SNIPER 5

Модульная схема реализации GIGABYTE G1.SNIPER 5

Отдельно расскажем о сетевом сопроцессоре Killer E2201 от Qualcomm Atheros Inc. Чип работает на частоте 400 МГц и использует для своей работы одну из линий PCI Express.  Задача сопроцессора — «ускорение» игрового трафика, уменьшение задержек и увеличение скорости передачи данных. Мало того, пользователь может с помощью специализированного программного обеспечения выставлять приоритеты для приложений или, например, регулировать скорость загрузки и скачивания. Но не стоит быть наивным — контроллер Qualcomm Atheros Killer E2201 не улучшит тарифный план и не расширит полосу пропускания. Изначально опция рассчитана на хороший канал связи.

NEC/Renesas D720210

NEC/Renesas D720210

Creative CA0132 (под золотистой крышкой) и TI Burr-Brown OPA2334PA

Creative CA0132 (под золотистой крышкой) и TI Burr-Brown OPA2334PA

Intel WGI217V и Qualcomm Atheros Killer E2201

Intel WGI217V и Qualcomm Atheros Killer E2201

4x ASMedia ASM1480

4x ASMedia ASM1480

International Rectifier IR3570A и IR3550B

International Rectifier IR3570A и IR3550B

Линейка

Существует еще одна версия рассматриваемой платы, а именно GIGABYTE G1.SNIPER M5. Устройство использует тот же набор логики Z87 Express и рассчитано на ту же аудиторию игровых энтузиастов. Однако сборка была произведена с учетом парадигмы mATX в рамках соответствующих габаритов (244x244 мм). Такой форм-фактор наложил некоторые ограничения на компоновку и ограничил возможности решения. В частности, плата лишилась Ethernet-контроллера Intel, SATA-контроллера Marvell модуля беспроводной связи в комплекте и одного из слотов PCI Express x16 третьего поколения. Один из трех оставшихся поддерживает только четыре полосы и представлен вторым поколением стандарта.

При этом осталась без изменений система охлаждения с возможностью подключения водяного цикла, а также игровая аудиоподсистема на базе процессора Creative. Да и цена решения стала уже не такой пугающей.

 GIGABYTE G1.SNIPER 5GIGABYTE G1.SNIPER M5
СокетLGA1150LGA1150
Набор логикиIntel Z87 ExpressIntel Z87 Express
ПамятьDDR3 1333/…/3000, до 32 ГбайтDDR3 1333/…/3000, до 32 Гбайт
Слоты расширения4x PCI Express x16 3x PCI Express x13x PCI Express x16 1x PCI Express x1
Дисковая подсистема10x SATA 3.06x SATA 3.0  
АудиоCreative Sound Core 3D (CA0132)Creative Sound Core 3D (CA0132)
Сеть2x 10/100/1000 Мбит/с, Qualcomm Atheros Killer E2201 Intel WGI217V10/100/1000 Мбит/с, Qualcomm Atheros Killer E2201
Разъемы задней панели1x PS/2, 6x USB 3.0, 2x USB 2.0, 2x HDMI, 1x DisplayPort, 1x S/PDIF Out (коаксиальный), 1x S/PDIF Out (оптический), 2x RJ-45, 5x 3,5-мм mini-jack1x PS/2, 4x USB 3.0, 2x USB 2.0, 2x HDMI, 1x DisplayPort, 1x S/PDIF Out (оптический), 1x RJ-45, 5x 3,5-мм jack
Форм-факторXL-ATXmATX
Ориентировочная стоимость16 000 руб.7 000 руб.

BIOS

Графическое оформление BIOS выполнено в свойственном для представленной модели оформлении — черно-зеленой палитре. В целом все выглядит миленько, раздражения не вызывает. В остальном это классическая для решений GIGABYTE компоновка UEFI DualBIOS. По желанию можно даже выбрать классическое оформление.

При запуске мы автоматически оказываемся в разделе Home. Здесь сразу предлагается небольшой набор настроек начинающего оверклокера: частоты, параметры напряжения, множители — всё то, что может понадобиться на базовом уровне, без погружения в веселый мир экстремального разгона.

При желании пользователь может сам конфигурировать меню и подразделы BIOS, добавляя или убирая закладки и именуя их по собственному вкусу: скажем, можно вынести опции для процессора в отдельную вкладку, а твики для памяти сегментировать в другую.

Раздел Performance задает новый уровень. Здесь можно найти отельные подразделы для работы с частотами, памятью, напряжением. Прочие разделы позволяют не только работать с классическими параметрами BIOS, но и задать режим электропитания, быстро сменить прошивку прямо через Интернет, настроить визуальное оформление интерфейса, выбрать опции запуска.

Нельзя не отметить, что при нажатии клавиши F1 любое действие, или строка меню по указателю, будет сопровождаться справкой-подсказкой или списка «горячих клавиш», что очень удобно.

Несмотря на все вышесказанное, общее впечатление довольно смешанное. Начинающему пользователю потребуется масса времени, чтобы освоить всю массу специфических настроек и нюансов. При этом время освоения для энтузиаста будет немногим меньше. Обилие фирменных технологий, масса специфических параметров — все это требует освоения. Но факт остается фактом: UEFI BIOS GIGABYTE — одна из самых навороченных систем на сегодняшний день. При грамотном подходе она позволит выжать максимум из любой конфигурации.

Боевая единица. Обзор материнской платы GIGABYTE G1.SNIPER 5
Боевая единица. Обзор материнской платы GIGABYTE G1.SNIPER 5
Боевая единица. Обзор материнской платы GIGABYTE G1.SNIPER 5
Боевая единица. Обзор материнской платы GIGABYTE G1.SNIPER 5
Боевая единица. Обзор материнской платы GIGABYTE G1.SNIPER 5
Боевая единица. Обзор материнской платы GIGABYTE G1.SNIPER 5
Боевая единица. Обзор материнской платы GIGABYTE G1.SNIPER 5
Боевая единица. Обзор материнской платы GIGABYTE G1.SNIPER 5
Боевая единица. Обзор материнской платы GIGABYTE G1.SNIPER 5
Боевая единица. Обзор материнской платы GIGABYTE G1.SNIPER 5

BIOS материнской платы GIGABYTE G1.SNIPER 5

Программы и утилиты

Отдельного внимания заслуживает поставляемое в комплекте ПО. Важно отметить APP Center, программу-агрегатор, позволяющую объединить разрозненные утилиты в единый конструкт.

Меню APP Center

Меню APP Center

В частности, пользователю предлагаются приложения, отвечающие за следующее:

  • @BIOS. Информация и обновление текущей версии BIOS;
  • USB Blocker. Запрет подключения к системе USB-устройств выделенной категории: принтеры, накопители, определенные марки;
  • EasyTune. Возможность мониторить системную информацию, данные о температурах, частотах и напряжениях, а также настраивать некоторые параметры, не выходя из ОС: профили производительности, режимы энергосбережения, допустимые значения температур, скорости вентиляторов и прочие;
  • ON/OFF Charge 2. Обеспечение и контроль зарядки мобильных устройств, подключенных к выделенным USB-разъемам системной платы. Обеспечивает повышенную силу тока даже когда система выключена;
  • EZ Setup. Режимы работы накопителей и работа с некогда мобильными технологиями Intel: Smart Response и Rapid Start;
  • Smart Recovery 2. Бэкап, создание образов дисков и автоматическое восстановление.
EasyTune

EasyTune

Из прочего, что может быть полезно, выделим софт Creative и менеджер для работы с сетевыми настройками Qualcomm Atheros. Стильно оформленный интерфейс утилиты SBX Pro Studio позволяет баловаться с настройками эквалайзера, задать профили звучания или даже включить «режим скаута», который по заявлению разработчиков, дает игроку преимущество в бою и возможность детально слышать перемещения противников с учетом их удаленности.

Creative SBX Pro Studio

Creative SBX Pro Studio

Сетевой менеджер Qualcomm Atheros Killer предлагает менять сетевые настройки, скорости передачи, контролировать объемы передачи данных той или иной программы в режиме реального времени. Простая и дельная утилита.

Qualcomm Atheros Killer Network Manager

Qualcomm Atheros Killer Network Manager

Разгон

Тестовый стенд

  • Процессор — Intel Core i5-4670K
  • Материнская плата — GIGABYTE G1.SNIPER 5
  • Оперативная память — GeIL EVO POTENZA GPW38GB2666C11DC, Kingston HyperX KHX26C11T2K2/8X
  • Накопитель — OCZ Vertex 3, 360 Гбайт
  • Блок питания — LEPA G1600, 1600 Вт
  • Периферия: Dell U2711b, ROCCAT ARVO, ROCCAT SAVU
  • Операционная система — Windows 8.1

Результаты тестирования, разгон

Про возможности BIOS было сказано достаточно, чтобы заявить с уверенностью: плата более чем подходит для разгона. Мало того, система автоматически добилась прекрасного результата без нашего участия. Подопытный Core i5-4670K c номинальных 3,4 ГГц был разогнан до значения 4,7 ГГц при напряжении 1,42 В. Результат более чем удовлетворительный. Система работала в таком режиме стабильно, что было подтверждено соответствующими тестами.

Результат автоматического разгона ЦП

Результат автоматического разгона ЦП

А вот по шине система отказалась разгоняться. При показателе CPU Strap x1 максимальный показатель частоты по шине не превышал 101,5 МГц. А при увеличении коэффициента до 1,25 (125 МГц) устройство попросту отказывалось загружаться. На наш взгляд, проблема актуальна для конкретного образца, так как в сети есть обзоры GIGABYTE G1.SNIPER 5, в которых материнская плата демонстрирует более высокие результаты. Как бы то ни было, оверклокинг — это всегда лотерея.

Конкуренты

Несмотря на пугающий ценник GIGABYTE G1.SNIPER 5, существует у модели и недурственный список конкурентов. В частности, на базе чипсета Z87 Express подготовили свои варианты ASUS и MSI.

ASUS MAXIMUS VI EXTREME

Компания ASUS предлагает аналогичную плату в рамках линейки ROG. Решение заслуживает похвалы и выполнено в свойственной для производителя брутальной манере. Модель изготовлена в привычном форм-факторе ATX. В комплекте, помимо сонма кабелей и вороха бумаг, можно найти выносную панель ASUS OC Panel под 5,25-дюймовый отсек, модуль беспроводной связи (привет, GIGABYTE!), а также массивный пульт управления для подключения термопар, дистанционной настройки и общего контроля системы.

ASUS MAXIMUS VI EXTREME

ASUS MAXIMUS VI EXTREME

По аналогии плата использует эксклюзивную звуковую систему SupremeFX, но на базе ЦАП Cirrus Logic CS4398. Из прочих особенностей также стоит отметить наличие на задней панели портов eSATA, а также огромное количество возможностей для оверклокинга, вне зависимости от профориентации устройства.

MSI Z87 XPOWER

Модель компании MSI больше похожа на «виновника торжества». Производитель предусмотрел целых пять разъемов PCI Express x16, четыре из которых поддерживают конфигурацию 4-WAY SLI.  В дополнение ко всему, присутствуют двенадцать портов SATA, а также восемь клавиш регулировки настроек прямо на плате: включение, рестарт, запуск функции автоматического разгона OS GENIE, повышения/понижения опорной частоты системной шины, а также множителя процессора.

MSI Z87 XPOWER

MSI Z87 XPOWER

Отметим в случае с MSI Z87 XPOWER и 32-фазную (!) систему питания и полностью пассивную систему охлаждения. Звуковая система хоть и изолирована, но собрана на базе штатного HDA-кодека Realtek ALC1150 — здесь без сюрпризов. В комплекте с платой поставляется коврик для мышки, панели расширения USB 3.0 и eSATA, модуль беспроводной связи и масса других приятных мелочей.

Итог

Решимость производителей прицельно готовить дорогостоящие модели для любителей компьютерных игр не случайна. Именно эта категория потребителей согласна отдавать баснословные суммы за вещи, смысл которых не всегда уловим. Если энтузиасты оверклокинга базируют свое желание на определенных желаниях, то геймеры зачастую формируют свою корзину из соображений «дороже — значит быстрее».

Однако вернемся к тому, с чего начали — люди платят деньги за возможности и, говоря языком экономических терминов, формируют спрос. Ведь никто не мешает фанату игр упражняться с подъемом частот и регулировкой множителей. С флагманскими решениями все карты в руки.

Но, как бы то ни было, GIGABYTE G1.SNIPER 5 четко заявляет свою позицию — это игровая платформа, база для прочих дорогих комплектующих. И не более. Здесь и прекрасная звуковая система, позволяющая подстраивать нюансы согласно собственным представлениям. Здесь и визуальная составляющая: превосходное оформление и шикарная система подсветки. Здесь и мощнейший комплекс охлаждения, позволяющий подключать элементы СВО, обеспечив фактически бесшумное функционирование основы.

А вот серьезный разгон, как показала практика, — дело десятое. Возможно, нам попался не слишком удачный тестовый экземпляр. Но удобство, организация процесса и сам подход к реализации оставляет желать лучшего. Но это здесь, как было сказано ранее, далеко не главное. GIGABYTE G1.SNIPER 5 по праву может стать прекрасной основой для мощного игрового десктопа.

  1. Ferra.ru/
  2. Обзоры/
  3. Компьютеры/